The Papers
Browse the PapersDocumentsJournalsAdministrative RecordsRevelations and TranslationsHistoriesLegal RecordsFinancial RecordsOther Contemporary Papers
Reference
PeoplePlacesEventsGlossaryLegal GlossaryFinancial GlossaryCalendar of DocumentsWorks CitedFeatured TopicsLesson PlansRelated Publications
Media
VideosPhotographsIllustrationsChartsMapsPodcasts
News
Current NewsArchiveNewsletterSubscribeJSP Conferences
About
About the ProjectJoseph Smith and His PapersFAQAwardsEndorsementsReviewsEditorial MethodNote on TranscriptionsNote on Images of People and PlacesReferencing the ProjectCiting This WebsiteProject TeamContact Us
Published Volumes
  1. Home > 
  2. The Papers > 

Original Manuscript of the Book of Mormon, circa 1968 Photographs

Source Note

Original Manuscript of the Book of Mormon, ca. 1968 Photographs; CHL. For more complete source information, see the source note for Original Manuscript of the Book of Mormon, ca. 12 Aprl 1828–ca. 1 July 1829; and the Note on Photographic Facsimiles, Original Manuscript of the Book of Mormon.
For more information about the Original Manuscript of the Book of Mormon, see Revelations and Translations, Volume 5: Original Manuscript of the Book of Mormon.

Historical Introduction

See Introduction to Original Manuscript of the Book of Mormon and Historical Introduction to Original Manuscript of the Book of Mormon, ca. 12 Aprl 1828–ca. 1 July 1829.

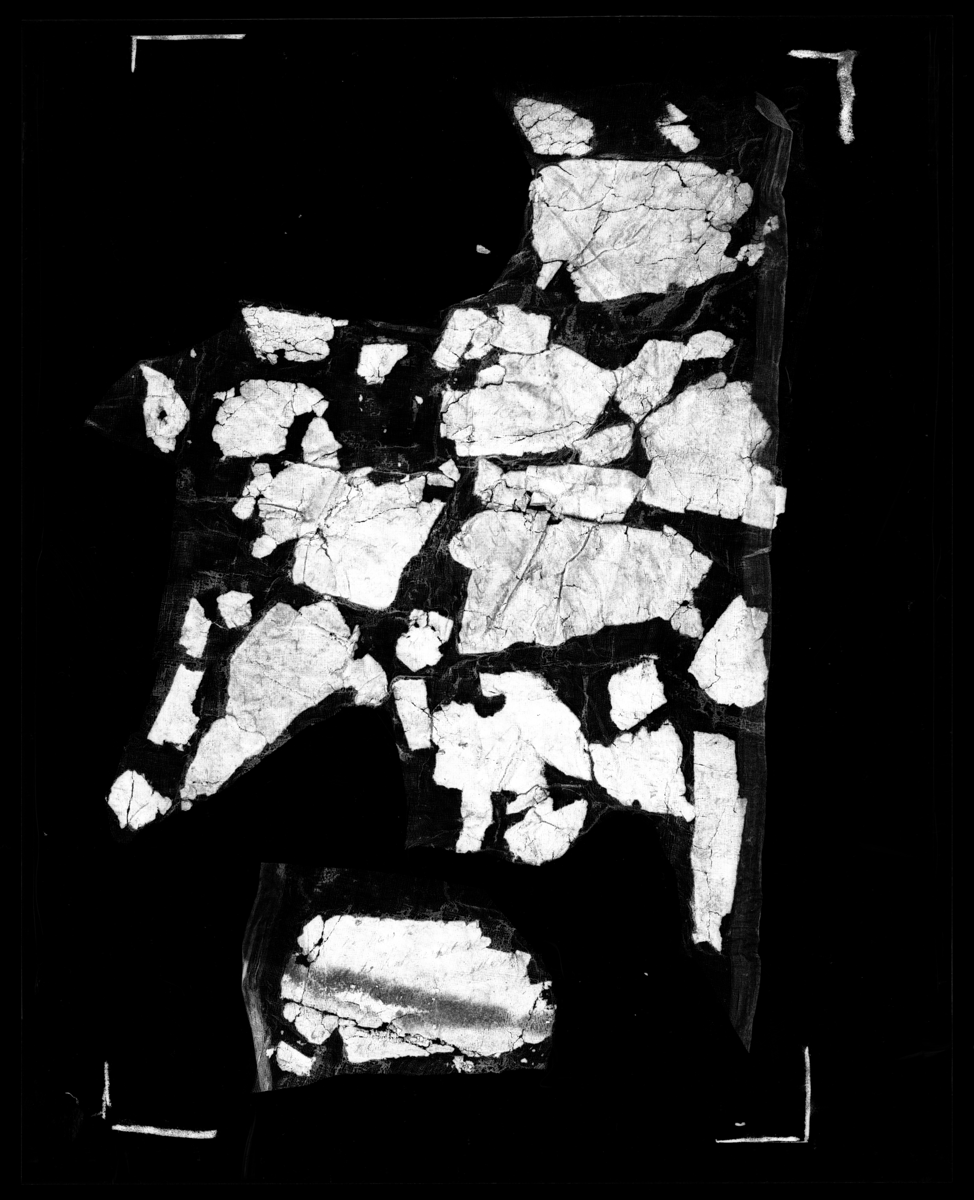
Page [4 [fragments]]

[second sheet of fragments, verso] [p. [4 [fragments]]]
View entire transcript

|

Cite this page

Source Note

Document Transcript

Page [4 [fragments]]

Document Information

Related Case Documents
Editorial Title
Original Manuscript of the Book of Mormon, circa 1968 Photographs
ID #
20395
Total Pages
44
Print Volume Location
Handwriting on This Page

    © 2024 by Intellectual Reserve, Inc. All rights reserved.Terms of UseUpdated 2021-04-13Privacy NoticeUpdated 2021-04-06